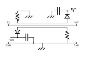
What is SWR Meter : Working & Its Applications SWR meter or standing wave ratio meter is available in different forms, but basically, they all are used for measuring the standing wave ratio (SWR) in a transmitter feeder. But understanding its working and usage is fairly easy, but sometimes knowing how to take the results & limitations allows far more to be increased with a VSWR meter. There are several types of SWR meters that vary from low to high cost. Generally, both the SWR & VSWR meters are the same. What is SWR Meter? The term SWR meter stands for standing wave ratio meter and alternate names of this meter are VSWR or ISWR. These meters are used to measure the SWR (standing wave ratio) within a transmission line. This meter ultimately measures the amount of difference between a transmission line & an antenna. Here antenna is usually a load. The SWR meter diagram is shown below. SWR Meter SWR meter is very helpful in determining how the RF energy is reproduced back in the direction of the transmitter as compared to the RF energy which is transmitted out throughout operation. In armature radios, the SWR meter uses a bi-directional coupler. The main function of a directional coupler is to sample a small amount of power within a single direction. After that, a diode is utilized to correct it before applying the coupler to the meter. Once a single coupler is used, it rotates at 180 degrees for sampling the power which is coming out from any direction. The forward & reflected power calculated throughout the single coupler is used to gauge the standing wave ratio. In addition, two couplers are used one for every direction. This technique assists in measuring the difference between the min & max voltage level values. It is used at very high & high frequencies but not used at low frequencies due to the impractically long lines. The SWR meter is used to measure the standing wave ratio, the ISWR meter measures the current SWR & VSWR measures the voltage SWR. Standing Wave Ratio The standing wave ratio can be defined as the ratio of the highest RF voltage & the minimum RF voltage through the transmission line. Once standing wave ratio is identified in terms of highest & least AC voltage through the transmission lines & it is also called VSWR or voltage SWR. The ratio of the highest RF current & the lowest RF current in the transmission line is called current SWR. In physics, standing waves are also called stationary waves. These waves fluctuate in time; however, the amplitude does not go but remains stable through time. In telecommunications & microwave engineering, the impedance matching measure with loads toward the transmission line impedance is called as standing wave ratio. Once there is a difference within the impedance, then it provides standing waves through the transmission line & enhances the losses in the transmission line. Generally, SWR is used to gauge the communication line efficiency. This communication line includes other cables which allow the signals of TV cable & RF signals. Methods to Measure SWR There are different methods available to measure the standing wave ratio. From them, the most instinctive technique utilizes a slotted line within a transmission line. So, it includes an open slot that permits a probe to help in detecting the definite voltage on different points throughout the line. How to use an SWR meter? Actually using an SWR meter is extremely simple; however, a few steps need to follow for the first time. This meter is used to calculate the antenna’s performance. A calibration tool like an SWR meter is used to calculate the standing wave ratio of a CB radio (citizens band) and it is one kind of radio system with short-distance that permits the users to converse over a restricted number of channels. Knowing how to discover your SWR value of radio is significant because it allows you to control the antenna for the best response. For testing, connect the coaxial cable of the radio To run a test, simply connect your radio’s coaxial and antenna to the specified ports on the SWR meter. Once you place the meter for calibration & trigger the radio transmitter then you can notice a number that indicates the signal’s strength being transmitted. Connect Your SWR Meter Need to conduct the test as a minimum of 20 feet from nearby structures Separate the antenna & coaxial cables with the help of your radio Attach the coaxial cable of your radio toward the transmitter port on your meter. On the SWR meter, run your antenna cable of radio toward the antenna port Take the Readings Place the power button otherwise turn on a digital meter to switch the unit. Enable the calibration dial over the analog meter toward the specified zone Locate your radio toward channel1 The transmitter button need to be press & hold on the hand microphone of the radio Turn the function switch above to “REF” & note down the value given The same procedure needs to repeat on channel 40 Make modifications as needed to your radio/antenna How Does an SWR Meter Work? The working of an SWR meter is discussed through the following directional SWR meter. This meter is required to gauge the transmitted wave’s amplitude & the reflected wave’s amplitude. The diagram of the directional SWR meter is shown below. Directional SWR Meter Circuit From the above diagram, there is a Tx (transmitter) & an ANT (antenna) terminal which are connected through a transmission line. Here, the transmission line couples electromagnetically through the directional couplers. The transmission lines can be terminated through resistors at one end whereas the diodes are used at the remaining end for modification. In the above figure, resistors mainly assist in matching the transmission lines’ characteristic impedance & the diodes let the change of wave’s amplitudes to their corresponding DC voltage. Finally, capacitors smoothen the last DC voltage. Amplifiers in the above circuit can be connected through the forward & reverse terminals. They work like the required drain resistor & assist to decide the Dwell Time. Formulas & Calculations of SWR VSWR can be measured using different parameters. From the definition of this meter, the ratio of the highest voltage on the transmission line toward the smallest voltage. VSWR = Vmax/Vmin The same formula can be expressed in forward & reflected voltages of waves. VSWR = (Vfwd + Vrev)/ (Vfwd – Vrev) Another formula for calculating SWR SWR = | 1 + Г| / | 1 – Г| Range of SWR Meter Reading The readings collected by the SWR are discussed below at various conditions. SWR 1-1.5 If the reading of an SWR meter ranges from 1 to 1.5 then it is considered the perfect range of value. Here, the reading is reduced from 1.5 to 1 by making some extra tuning. SWR 1.5-1.9 If the reading of an SWR ranges from 1.5 to 1.9 then it is fair enough but not the perfect range. These readings mainly come from installations faults. SWR 2.0 – 2.4 If the range of SWR is from 2.0 to 2.4 then it is not a fine range but there are some scopes for development. So, this range of values has been received from the location of the mounted poor antenna. So, this value can be enhanced by fixing the problem of the SWR meter SWR 2.5- 2.9 If the meter range is from 2.5 to 2.9 then this value will affect the performance and the transmitter may get damage. SWR > 3 If the range of SWR value is above 3 then it is dangerous. So the device will be spoiled in a few minutes and the transmission must be closed due to the main installation issues. So to protect this, we need to give a proper ground terminal to this device. This range mainly indicates the faulty coaxial cables & poor quality of the antenna So if an SWR meter’s signal range increases from 1.5 – 2, then it will harm the transmitter. If the reading is above 2.5 then we need to deactivate the transmitter. Points Need to Consider while using an SWR Meter There are different points that need to consider while using this SWR meter Make sure that meter connectors are connected properly or not like Antenna connection (ANT) to antenna & transmitter connection (Tx) to the transmitter We should not operate into a high standing wave ratio because any damage can affect the transmitter & also the feeder occasionally. The frequency range of the meter should be correct. Generally, SWR meters are mainly designed to function on a specified range of frequencies. When the meter is used in an outside range of frequency then they are inadequately responsive & the complete scale defection within the forward direction may be hard to attain. Limitations The limitations of the SWR meter include the following. These meters do not calculate the physical impedance for a load but measure a ratio to give the thought of difference. The load’s ideal impedance can be calculated through a separate device called Antenna Analyzer. The measurement is simply achievable if this meter is arranged perfectly through the transmission line. It is equivalent through the transmission line’s characteristic impedance like 50 to 70 ohms SWR meter should be arranged near to the transmission line or else it will make some false impression about the readings. Applications The applications of SWR meter include the following. In microwave engineering, the SWR meter is one of the essential devices. These meters are extensively used for setting up Antennas & connecting them through the transmission lines. SWR meters are also applicable in the medical field depending on microwave engineering. These meters are used throughout the fitting & transmitting antenna tuning. Throughout microwave electro surgery once an antenna is located openly into the tissue, then it may not have the finest match through the feed line that generates SWR. Thus, this is all about an overview of the SWR Meter or VSWR Meter which is used to measure the standing wave ratio value of a transmission line. At present, analog SWR meters are replaced through Digital SWR Meters because these types of meters are very simple to use & takes a low time to obtain the result, tiny size & less maintenance cost. Here is a question for you, what are the disadvantages of the SWR meters? Share This Post: Facebook Twitter Google+ LinkedIn Pinterest Post navigation ‹ Previous What is a Nuclear Battery : Working & Its ApplicationsNext › What is 2P4M SCR : Pin Configuration & Its Applications Related Content NVIDIA GeForce RTX 5090 : Specifications, Architecture, Working, Differences & Its Applications AMD Ryzen 3 8300G : Specifications, Architecture, Working, Differences & Its Applications NVIDIA GeForce RTX 4070 : Specifications, Architecture, Working, Differences & Its Applications NVIDIA GeForce RTX 4070 Ti Super : Specfications, Architecture, Working, Differences & Its Applications