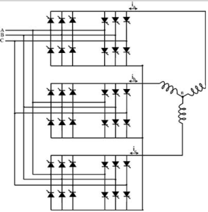
What is AC to AC Converter and Its Working AC to AC converters is used for converting the AC waveforms with one particular frequency and magnitude to AC waveform with another frequency at another magnitude. This conversion is mainly required in case of speed controlling of machines, for low frequency and variable voltage magnitude applications as well. We know that there are different types of loads that work with different types of power supplies like single-phase, three-phase supply, and the supplies can be differentiated based on the voltage and frequency range also. AC to AC Converter What is AC to AC Converter? We require a particular voltage and particular frequency for operating some special devices or machines. For speed control of induction motors, AC to AC converters (Cycloconverters) is used majorly. For obtaining a desired AC power supply from the actual power supply, we need some converters called AC to AC converters. Types of AC to AC Converters The AC to AC converters can be classified into different types: Cycl converters AC to AC Converters with DC link Matrix Converters Hybrid Matrix Converters 1. Cycloconverters Cycloconverters are majorly called as frequency changers that convert the AC power with one input frequency to AC power with a different output frequency and can be used for changing the magnitude of the AC power also. Cycloconverters are preferred for avoiding DC links and to avoid many stages like AC to DC to AC which is not economical and causes more losses. The cost of the DC link required will vary according to the ratings of the supply power being used. Cycloconverters The above figure shows the working principle of a cycloconverter wherein the input wave frequency changed by changing the firing angle applied to the thyristors. By switching the positive and negative limb thyristors, we can get variable output frequency that can be step-up or step-down frequency compared to the input frequency. Cycloconverters are Classified into Different Types Based on Different Criteria Cycloconverters consist of two limbs namely Positive limb also called a positive converter and negative limb also called a negative converter. The Positivelimb operates during the positive half cycle and the negative limb operates during the negative half cycle. Classification of Cycloconverters Based on the Mode of Operation: Blocking Mode Cycloconverters These Cycloconverters don’t need any limiting reactor as in this mode only one limb either positive or negative limb conducts at a time, and the other limb is blocked. Hence, this is called as Blocking Mode Cycloconverters. Circulating Current Mode Cycloconverter These Cycloconvertersneed limiting reactor as both the positive limb and the negative limb conduct at a time, and hence a reactor is placed to limit the circulating current. As both the limbs conducting at the same time, there will be a circulating current in the system, and hence, it is called Circulating Current Mode cycloconverter. Classification of Cycloconverters Based on the Number of Phases of Output Voltage Single Phase Cycloconverters These are again classified into two types based on the number of input phases. 1-Ø to 1- Ø Cylcoconverter 1-Ø to 1- Ø Cylcoconverter This Cycloconverter converts the single-phase AC waveform with input frequency and t magnitude to output AC waveform with a different magnitude and frequency. 3-Ø to 1- Ø Phase Cycloconverter This Cycloconverter has a three-phase AC supply with an input frequency and magnitude and produces output as a single-phase AC waveform with a different output frequency or magnitude. 3-phase to 1-phase Phase Cycloconverter 3-Ø to 3- Ø Phase Cycloconverter 3-Ø to 3- Ø Phase Cycloconverter This Cycloconverterhas three-phase AC supply with input frequency and magnitude and produces output as the three-phase AC waveform with a different output frequency or magnitude. Classification of Cycloconverters Based on the Firing Angle of Positive and Negative Limbs Envelope Cycloconverters In this type of Cycloconverters, the firing angle is fixed for both the positive and negative half-cycles during the positive half cycle. For a positive converter, the firing angle is set to α=0°, and during the negative half cycle, the firing angle is set to α=180°. Similarly, for a negative converter, the firing angle is set to α=180°, during the positive half cycle, and during the negative half cycle, the firing angle is set to α=0°. Phase controlled Cycloconverters By using this type of Cycloconverters, we can change the magnitude of the output voltage in addition to the frequency of the output. Both can be varied by varying the firing angle of the converter. Phase controlled Cycloconverters 2. AC to AC Converters with a DC Link AC to AC converters with a DC link generally consists of a rectifier, DC link, and inverter as in this process the AC is converted into DC by using the rectifier. After being converted into DC, the DC link is used to store DC power, and then again it is converted into AC by using the inverter. AC to AC converter circuit with a DC link is shown in the figure. AC to AC converters with a DC link is classified into two types: Current Source Inverter Converter In this type of inverter, one or two series inductors are used between one or both limbs of the connection between the rectifier and inverter. The rectifier used here is a phase-controlled switching device like Thyristor Bridge. Current Source Inverter Converter Voltage Source Inverter Converter In this type of converter, the DC link consists of a shunt capacitor and the rectifier consists of a diode bridge. The diode bridges are preferred for the low load as the AC line distortion and low power factor caused by the Diode Bridge are lesser than the Thyristor Bridge. However, the AC to AC converters with a DC link is not recommended for high-power ratings as the DC link passive component required capacity increases with the increase in power rating. For storing high power, we need high DC storage bulky passive components which are not economical and efficient as losses also increase for converting AC to DC and DC to AC process. Voltage Source Inverter Converter 3. Matrix Converters Matrix converters are used for converting AC to AC directly without using any DC link for increasing the reliability and efficiency of the system by reducing the cost and losses of the DC-link storage element. Matrix converter consists of the bidirectional switches that practically don’t exist at present but can be realized by using the IGBTs, and these are capable of conducting current and blocking voltage of both polarities. Matrix Converters Matrix converters are again classified into different types based on the number of components used. Sparse Matrix Converter The function of a sparse matrix converter is identical to the direct matrix converter, but here the number of switches required is less than the direct matrix converter, and thus the reliability of the system can be improved by reducing the controlling complexity. 18 diodes, 15 transistors, and 7 isolated driver potentials are required for sparse matrix converter. Very Sparse Matrix Converter The number of diodes is increased with the reduced number of transistors compared to the sparse matrix converter, and thus, due to more number of diodes, the conduction losses are high. The function of the very sparse matrix converter is similar to the sparse/direct matrix converter. 30 diodes, 12 transistors, and 10 isolated driver potentials are required for a very sparse matrix converter. Ultra Sparse Matrix Converter These are used for variable speed drives of low dynamics as the input stage of this converter is unidirectional, and due to this, there is an admissible phase displacement between the input current fundamental and input voltage. Similarly, for an output voltage fundamental and output current is 30°, and hence these are majorly used for variable speed PSM drives of low dynamics. 12 diodes, 9 transistors, and 7 isolated driver potentials are required for ultra sparse matrix converter. Hybrid Matrix Converter The matrix converters that convert AC/DC/AC are termed as Hybrid matrix converters, and similar to the matrix converters, these hybrid converters also don’t use any capacitor or inductor or DC link. These are again classified into two types based on the number of stages they take for conversion, if the voltage and current both are converted in a single stage, then that converter can be called as a Hybrid Direct Matrix Converter. If the voltage and current are converted in two different stages, then that converter can be called a Hybrid Indirect Matrix Converter. Example: Cycloconverter using Thyristors The cycloconverter project is regarding the speed control of a single-phase induction motor by using the Cycloconverter technique with thyristors. Induction motors are constant speed machines that are frequently used in many domestic appliances like washing machines, water pumps, and vacuum cleaners. The circuit consists of a supply system (with transformer, rectifier, and regulator to convert AC to DC) is connected to the microcontroller and AC supply is maintained at cycloconverter. The microcontroller is connected with optoisolator and mode selection. The cycloconverter is connected with the motor. Cycloconverter Using Thyristors The speed of induction motor can be varied in three steps as F, F/2, and F/3. The microcontroller is connected with slide switches and the status of these switches can be varied such that the microcontroller will deliver the appropriate triggering pulses to Cycloconverter thyristors dual bridge. With the variation in triggering pulses, the frequency of output waveform of Cycloconverter can be varied. Thus, the speed control of the single-phase induction motor can be achieved. This is all about some of the AC to AC converters along with their brief discussion and working principles. These converters are mostly found in high-power conversion equipment related to power electronic control applications. If you want some more information and practical implementation of these converters, you can write to us by commenting below. Please refer to this link for Center Tapped Full Wave Rectifier. Photo Credits: AC to AC converters by siemens Cycloconverters by pantechsolutions Phase controlled Cycloconverters by nctu Voltage Source & current source Inverter by gecko-research Matrix Converters by yaskawa 3-Ø to 3- Ø Phase Cycloconverter by pantechsolutions 1-Ø to 1- Ø Cylcoconverter by files 3-Ø to 1-ØPhaseCycloconverter by ucalgary Share This Post: Facebook Twitter Google+ LinkedIn Pinterest Post navigation ‹ Previous 100+ Electronics and Communication Engineering ProjectsNext › AVR Microcontroller Projects for Engineering Students Related Content Molded Case Circuit Breaker (MCCB): Types, Working, and Applications Explained Magnetic Starter : Circuit, Working, Wiring, Vs Contactor, Advantages & Its Applications Preamplifier : Circuit, Working, Types, Differences, How to Choose, & Its Applications 2 Point Starter : Circuit, Working, Differences & Its Applications Comments are closed.