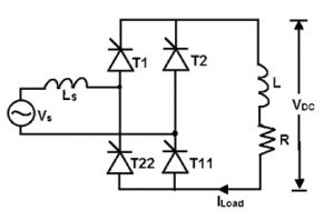
Thyristor Commutation Methods in Power Electronics Most of the converter equipment and switch-mode power supplies use power electronics components like thyristors, MOSFET, and other power semiconductor devices for high-frequency switching operations at high-power ratings. Consider the thyristors that we use very frequently as bistable switches in several applications. These thyristors use switches needed to be switched on and off. For switching on the thyristors, there is some thyristor turn on methods called thyristor triggering methods. Similarly, for switching off thyristors, there are methods called thyristors commutation methods or techniques. Before discussing thyristor commutation techniques, we must know something about the thyristor basics such as a thyristor, thyristor operation, different types of thyristors, and thyristor turn-on methods. What is a Thyristor? Two to four lead semiconductor devices consisting of four layers of alternating N and P-type materials are called thyristors. These are generally used as bi-stable switches which will conduct only when the gate terminal of the thyristor is triggered. A thyristor is also called a silicon controlled rectifier or SCR. Thyristor What is the Commutation of SCR? Commutation is nothing but the turn OFF method of an SCR. It is one method used to bring an SCR or thyristor from ON state to OFF state. We know that an SCR can be activated by using a gate signal toward an SCR when it is in forwarding bias. But SCR needs to turn off when required for power controlling otherwise power conditioning. Commutation Circuit for SCR When an SCR moves in the mode of forwarding conduction, then its gate terminal loses its control. For that, some additional circuit should be used to turn off thyristor/SCR. So, this additional circuit is called a commutation circuit. So this term is mainly used for transferring the current from one ane to another. The circuit of commutation mainly reduces the forward current to zero to turn OFF the thyristor. So, the following conditions should be satisfied to turn off the thyristor once it is conducting. The forward current of thyristor or SCR should be decreased to zero otherwise under the holding current level. An ample reverse voltage should be provided across the SCR/thyristor to recover its forward blocking condition. Once the SCR is turned OFF by decreasing forward current to zero, then there exist surplus charge carriers within different layers. To recover the forward blocking condition of the thyristor, these surplus charge carriers should be recombined. So, this recombination method can speed up by applying a reverse voltage across the thyristor. Thyristor Commutation Methods As we have studied above, a thyristor can be turned on by triggering a gate terminal with a low voltage short duration pulse. But after turning on, it will conduct continuous until the thyristor is reverse biased or the load current falls to zero. This continuous conduction of thyristors causes problems in some applications. The process used for turning off a thyristor is called commutation. By the commutation process, the thyristor operating mode is changed from forward conducting mode to forward blocking mode. So, the thyristor commutation methods or thyristor commutation techniques are used to turn off. The commutation techniques of thyristors are classified into two types: Natural Commutation Forced Commutation Natural Commutation Generally, if we consider AC supply, the current will flow through the zero crossing line while going from positive peak to negative peak. Thus, a reverse voltage will appear across the device simultaneously, which will turn off the thyristor immediately. This process is called natural commutation as the thyristor is turned off naturally without using any external components or circuit or supply for commutation purposes. Natural commutation can be observed in AC voltage controllers, phase-controlled rectifiers, and cyclo converters. Forced Commutation The thyristor can be turned off by reverse biasing the SCR or by using active or passive components. Thyristor current can be reduced to a value below the value of holding current. Since the thyristor is turned off forcibly it is termed as a forced commutation process. The basic electronics and electrical components such as inductance and capacitance are used as commutating elements for commutation purposes. Forced commutation can be observed while using DC supply; hence it is also called DC commutation. The external circuit used for the forced commutation process is called a commutation circuit and the elements used in this circuit are called commutating elements. Classification of Forced Commutation Methods Here, the thyristor commutation methods classification is discussed below. Its classification is mainly done depending on whether the pulse of commutation is a current pulse of a voltage pulse, whether it is connected in series/parallel through the SCR to be commutated, whether the signal is given through an auxiliary or main thyristor, whether the circuit of commutation is charged from an auxiliary or main source. The classification of inverters can be mainly done based on the commutation signals’ location. The forced commutation can be classified into different methods as follows: Class A: Self commutated by a resonating load Class B: Self commutated by an LC circuit Class C: Cor L-C switched by another load-carrying SCR Class D: C or L-C switched by an auxiliary SCR Class E: An external pulse source for commutation Class F: AC line commutation Class A: Self Commutated by a Resonating Load Class A is one of the frequently used thyristor commutation techniques. If thyristor is triggered or turned on, then anode current will flow by charging capacitor C with dot as positive. The second-order under-damped circuit is formed by the inductor or AC resistor, capacitor, and resistor. If the current builds up through SCR and completes the half-cycle, then the inductor current will flow through the SCR in the reverse direction which will turn off the thyristor. Class A Thyristor Commutation Method After the thyristor commutation or turning off the thyristor, the capacitor will start discharging from its peak value through the resistor in an exponential manner. The thyristor will be in reverse bias condition until the capacitor voltage returns to the supply voltage level. Class B: Self Commutated by an L-C Circuit The major difference between the class A and class B thyristor commutation methods is that the LC is connected in series with thyristor in class A, whereas in parallel with thyristor in class B. Before triggering on the SCR, the capacitor is charged up (dot indicates positive). If the SCR is triggered or given a triggering pulse, then the resulting current has two components. Class B Thyristor Commutation Method The constant load current flowing through the R-L load is ensured by the large reactance connected in series with the load which is clamped with a freewheeling diode. If sinusoidal current flows through the resonant L-C circuit, then the capacitor C is charged up with dot as negative at the end of the half-cycle. The total current flowing through the SCR becomes zero with the reverse current flowing through the SCR opposing the load current for a small fraction of the negative swing. If the resonant circuit current or reverse current becomes just greater than the load current, then the SCR will be turned OFF. Class C: C or L-C Switched by another Load Carrying SCR In the above thyristor commutation methods, we observed only one SCR but in these class C commutation techniques of thyristor, there will be two SCRs. One SCR is considered as the main thyristor and the other as an auxiliary thyristor. In this classification, both may act as main SCRs carrying load current and they can be designed with four SCRs with load across the capacitor by using a current source for supplying an integral converter. Class C Thyristor Commutation Method If the thyristor T2 is triggered, then the capacitor will be charged up. If the thyristor T1 is triggered, then the capacitor will discharge and this discharge current of C will oppose the flow of load current in T2 as the capacitor is switched across T2 via T1. Class D: L-C or C Switched by an Auxiliary SCR The class C and class D thyristor commutation methods can be differentiated with the load current in class D: only one of the SCR’s will carry the load current while the other acts as an auxiliary thyristor whereas in class C both SCRs will carry load current. The auxiliary thyristor consists of a resistor in its anode which is having a resistance of approximately ten times the load resistance. Class D Type By triggering the Ta (auxiliary thyristor) the capacitor is charged up to supply voltage and then the Ta will turn OFF. The extra voltage if any, due to substantial inductance in the input lines will be discharged through the diode-inductor-load circuit. If the Tm (main thyristor) is triggered, then the current will flow in two paths: commutating current will flow through the C-Tm-L-D path, and load current will flow through the load. If the charge on the capacitor is reversed and held at that level using the diode and if Ta is re-triggered, then the voltage across the capacitor will appear across the Tm via Ta. Thus, the main thyristor Tm will be turned off. Class E: External Pulse Source for Commutation For the class E thyristor commutation techniques, a transformer can not saturate (as it is having a sufficient iron and air gap) and capable to carry the load current with a small voltage drop compared with the supply voltage. If the thyristor T is triggered, then the current will flow through the load and pulse transformer. Class E Type An external pulse generator is used to generate a positive pulse which is supplied to the cathode of the thyristor through a pulse transformer. The capacitor C is charged to around 1v and it is considered to have zero impedance for the turn-off pulse duration. The voltage across the thyristor is reversed by the pulse from the electrical transformer which supplies the reverse recovery current, and for the required turn-off time it holds the negative voltage. Class F: AC Line Commutated In class F thyristor commutation techniques, an alternating voltage is used for supply and, during the positive half cycle of this supply, the load current will flow. If the load is highly inductive, then the current will remain until the energy stored in the inductive load is dissipated. During the negative half-cycle as the load current becomes zero, then the thyristor will turn off. If voltage exists for a period of the rated turn off time of the device, then the negative polarity of the voltage across the outgoing thyristor will turn it off. Class F Type Here, the duration of the half-cycle must be greater than the turn-off time of the thyristor. This commutation process is similar to the concept of a three-phase converter. Let us consider, primarily T1 and T11 are conducting with the triggering angle of the converter, which is equal to 60 degrees and is operating in continuous conduction mode with a highly inductive load. If the thyristors T2 and T22 are triggered, then instantaneously the current through the incoming devices will not rise to the load current level. If the current through the incoming thyristors reaches the load current level, then the commutation process of outgoing thyristors will be initiated. This reverse biasing voltage of the thyristor should be continued until the forward blocking state is reached. Thyristor Commutation Methods Failure The thyristor commutation failure mainly occurs because they are line commutated and voltage drop can lead to inadequate voltage to commutate, so causes a fault once the following thyristor is fired up. So commutation failure occurs because of several reasons, some of which are discussed below. Thyristors provide fairly slow reverse recovery time; so the main reverse current may supply in forwarding conduction. This can signify “fault current,” which appears in a cyclic way by associated power dissipation come into view at the SCR failure. In an electric circuit, commutation is basically once the current flow flows from one branch of the circuit to another. A commutation failure mainly occurs once the change in the path fails because of any reason. For an inverter or a rectifier circuit, that utilizes SCRs, a commutation failure can happen because of two basic reasons. If a thyristor fails to turn on, then the flow of current will not switch & the commutation method will fall short. Similarly, if a thyristor falls short to turn off, then the flow of current may partly commutate toward the next branch. So this is also considered a failure. Difference between Natural Commutation and Forced Commutation Techniques The differences between natural commutation and forced commutation are discussed below. Natural Commutation Forced Commutation Natural commutation uses AC voltage at the input Forced commutation uses DC voltage at the input It doesn’t use external components It uses external components This kind of commutation is used in AC voltage controller and controlled rectifiers. It is used in inverters and choppers. SCR or Thyristor will deactivate because of negative supply voltage SCR or Thyristor will deactivate because of both the voltage and current, During commutation, there is no loss of power During commutation, power loss occurs No cost Significant cost A thyristor can be simply called a controlled rectifier. There are different types of thyristors, which are used for designing power electronics-based innovative electrical projects. The process of turning on the thyristor by providing triggering pulses to the gate terminal is called triggering. Similarly, the process of turning off the thyristor is called commutation. Hope this article gives brief information about different commutation techniques of the thyristor. Further technical assistance will be provided based on your comments and queries in the comments section below. Share This Post: Facebook Twitter Google+ LinkedIn Pinterest Post navigation ‹ Previous Elprocus Event for Engineering Professionals – Win upto 50,000 INRNext › Introduction to Fiber Optic Sensors and their Types with Applications Related Content AMD Ryzen 3 8300G : Specifications, Architecture, Working, Differences & Its Applications NVIDIA GeForce RTX 4070 : Specifications, Architecture, Working, Differences & Its Applications NVIDIA GeForce RTX 4070 Ti Super : Specfications, Architecture, Working, Differences & Its Applications ARM Neoverse N1 Processor Architecture : Features, Working & Its Applications Comments are closed.