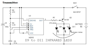
Infrared Remote Control Switch Working Operation The first remote controllers were developed in the early 1990s, and the first remotes were connected with wires to devices. Nowadays remotes use infrared control and thus are capable of controlling several things at a time. The remotes are not only used for entertainment, but also for industries, military requirements, and recreation. Infrared remote controls were developed in the late 1970s. These remote controls use infrared light and photo receptors and different light frequencies for different functions. These remotes also use invisible light beams to send signals to electronic devices. Infrared remote control IR remote controls today can control several devices at a time as the working abilities of these remotes is such that a light beam is emitted out by the remote control and is received by a photo transistor. These remotes receive signals and transmit signals to devices via radio waves. These remotes can control several appliances, equipments and gadgets like, radios, TVs, video games, CD/ DVD players, and also applicable in Space(NASA). The Infrared remote control-basics operation and applications are explained below. Block diagram of an IR remote Control Switch Block diagram of an IR remote Control Switch The block diagram of an IR remote switch consists of two sections: a transmitter section and the other receiver section. The transmitter section work as a normal remote and the receiver section remains in a stable position, which means, it is connected to any load. The main function of this remote control switch is to control any load like TV, Fan, Radio, light, etc. In this circuit, there is only one switch to operate the transmitter. By using this switch, one can switch on or off the TV, radio, and home appliances. By adding an extra circuitry to the actual remote, the control circuit can even be used to control the volume of radio, TV and many more appliances. In the transmitter section, there is a NE555 timer and infrared LEDs. TheNE555 timer is configured in a stable mode, and in infrared LEDs, the IR rays are directed by the source of power, which is from 9V battery and concave lens. In the transmitter section, a switch plays a key role; when the switch is closed, the power from the battery turns on, and the 555 timer acts as a stable multi-vibrator and the output of the 555 timer gets connected to the input of the IR LEDs. Then, the infrared LEDs get high and produce the IR beam through concave lens. The IR beam in the transmitter section produced by the infrared LEDs is directed to the receiver section. The photo LEDs receive the IR beam and charge the capacitor which increase the input voltage of one pin of the op-amp, and then generates high output. The output of the op-amp is given out to the 4018 counter as an input, and then the counter will drive the load through a relay to switch on or off. IR Remote Controls Switch Circuit The infrared remote control switch is divided into two sections: transmitter section and receiver section. The main components of this IR remote control switch are CA 3130 operational amplifier and 4018 counter. The CA 3130 op-amp is a BiCMOS operational amplifier, and it has a high-input impedance, a low-input current and a high-speed performance. The CD 4018 counter is a 16-pin counter in which there are 5-jam inputs (data, clock, enable, preset and reset pins). IR Remote Controls transmitter Switch Circuit In the transmitter section, the 555 timer is arranged in a stable mode, and to give 5 KHz operating frequency, resistors R5, R6 and capacitor C6 are adjusted. When the switch is on the capacitor gets charged, and when the switch is off the capacitor discharges through the 555 timer internal transistors and the resistor R6. If the 555 timer is switched on, the output of the pin3 becomes high and this activates the transistor SK 100. In this set up, an R7 is used to stop the loading of transistor. If the transistor is switched on, the IR diodes produce a high-intensity infrared beam which is given to the photo diodes of the receiver. IR Remote Controls receiver Switch Circuit In the receiver section, the three photo diodes present identify the IR signals and produce leakage current to the C1 capacitor. This current is given to the inverting input of the operational amplifier, and by this current, the op-amp gets triggered and gives amplified output. All the other remaining pins are connected to the ground. Here, the resistor R2 and the capacitor C2 are used to stop the unwanted signals from triggering the op-amp, and the capacitor C3 is used for high gain which is used as a comparator amplifier. The output of the op-amp is given to the pin-14 CLK of the counter 4018, and by applying clock pulses to the 4018 IC, the output goes high. The resistor R4 is used to stop the loading of the transistor. When the output of the 4018 is high, the transistor switches on and drives the relay to activate it in 12V and the diode D4 protects the relay from the reverse current. When an appliance is connected to it, the relay turns on or off and the LED stops the reverse voltage, otherwise it may affect the counter. Remote Control Switch Board Remote control switch board can be used in different applications such as in home appliances, office equipment’s, restaurants, hospitals, etc. This type of switch board is used for controlling on and off switches of lights, fans from a distance of 30 feet, and with this board one can control the operations of 3 to 5 lights and one fan at a time. The advantage with this system is that it saves unnecessary wiring and it is also an ideal option for patients and aged people. Remote Control Switch Board Remote Control for Home Appliances Connect this circuit to any of the home appliances like TV, radio, lamp, fan etc, to make their switching on and off options simpler. This circuit can be activated from about 10 meters distance. The working principle of this remote control for home appliances circuit is explained below. With this control circuit, one can control the home appliances control systems by using phones and RF remotes. Remote Control for Home Appliances The amplified signal is fed to the CLK pin-14 of the decade counter IC1 CD4017. The pin-8 of the IC1 is connected to the ground, the pin-16 is connected to VCC and the pin3 is connected to LED1, which is red. When the appliance is switched off, the red LED1 glows. The output of the IC1 is taken from the pin 2 and is connected to LED2, which is green. When the appliance is on this green LED2 glows. The pin2 of IC1 is connected to the transistor T2 and drives relay RL1. The diode D1 1N4007 acts as a freewheeling diode. The home appliance to be controlled is connected between the neutral terminal of the mains and the pole of the relay. When the relay energizes, it gets connected to the live terminal of the AC mains via a normally opened contact. Applications of the IR Remote Control Switch Infrared remote control switches are used to control multiple things like, thyristor power control, TVs, video games, Space related equipments (NASA), etc. IR Remote Control Switch can also be used to switch on or off the electronic appliances like washing machines, radio, TVs, etc. By using the comparative relays we can switch ON or OFF the motor appliances also. This is all about the Infrared Remote control switch designing and applications. Therefore, for controlling multiple devices like, TV, radio, CD/DVD players and IR obstacle detection etc., it is always better to use this type of IR remote switches. For any kind of information regarding electrical and electronic projects, please share your views on this article in the comments section below. Photo Credits electronicshub blogspot Share This Post: Facebook Twitter Google+ LinkedIn Pinterest Post navigation ‹ Previous Introduction to Motion Detector Circuit Diagram with Working PrincipleNext › Timers and Counters in 8051 Microcontroller and its Applications Related Content NVIDIA GeForce RTX 3050 : Specifications, Architecture, Working, Differences & Its Application AMD AM5 B850 : Specifications, Architecture, Working, Differences & Its Applications NVIDIA GeForce RTX 4070 Ti : Specifications, Architecture, Working, Differences & Its Applications AMD B650E Chipset : Specifications, Architecture, Working, Vs AMD X670E & Its Applications Comments are closed.