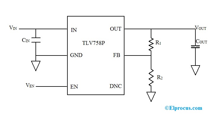
TLV758P Adjustable Low Dropout Voltage Regulator Dropout value of the voltage regulator is the maximum voltage difference between the input voltage and reference voltage that the device can regulate. Most of the regulators are chosen based on their dropout value. Higher the dropout, more sensitive will be the regulator to the voltage change. Regulators are also available as fixed voltage versions and adjustable output voltage versions. One of such regulators which are of low dropout value and adjustable output version is TLV758P. What is TLV758P? TLV758P is a 500mA low-dropout, adjustable regulator. This device requires a very low quiescent current and provides fast line and load transient performance. This device features an ultralow dropout of 130V, which can help improve the power efficiency of the device. By supporting input voltage range from 1.5V to 6V and output voltage range from 0.55V to 5.5V the device can be used for a wide variety of applications. The low output voltage feature of the device enables it to power the modern microcontrollers with lower core voltages. Block Diagram of TLV758P Block Diagram of TLV758P Undervoltage Lockout This circuit disables the output of the regulator until the input voltage is greater than the rising UVLO voltage. This circuit also ensures that the regulator does not behave unpredictably when the supply voltage is lower than the operational range. The output is connected to the ground with a pulldown resistor when input is lower than rising UVLO voltage. Shutdown The enable pin of the regulator is active high. By forcing the EN pin to the voltage greater than VEN device can be enabled. By forcing it to be below the enable voltage, the device is disabled. Foldback Current Limit To protect the device during transient high-load current faults, the device contains an internal current limit circuit. The current limit is a hybrid brick wall-foldback scheme. The transition of current limit from brick wall scheme to foldback scheme happens at foldback voltage. For a high load current fault with output voltage above the foldback voltage, the brick wall scheme limits the output current to the current limit. But when the current fault is below the foldback voltage, the foldback scheme is activated to limit the output current. Thermal shutdown This circuit disables the output when the junction temperature rises to 1700C. By disabling the device the power dissipated by the device is eliminated and the device gets cool down. When the junction temperature cooldowns to 1550C, the output circuit is enabled again. By this thermal shutdown circuit, the LDO can be protected from the damages caused by overheating of the device. How to Use? External feedback resistor dividers are required to set the output voltages in the adjustable voltage version. TLV758P requires an external output capacitor of 0.47μF for the stability of the device. A capacitor can be connected from IN to GND to reduce the input impedance. Circuit Diagram of TLV758P TLV758P has three functional modes. They are Normal mode, Dropout mode, Disabled mode. The device is said to be working in normal mode when the input voltage is greater than the sum of nominal output voltage and dropout voltage, the output current is less than the current limit and junction temperature is less than shutdown temperature. When the input voltage is less than the sum of nominal output voltage and dropout voltage but all other conditions of normal mode are satisfied, the device said to be functioning in dropout mode. In disabled mode, the enable pin disables the device. Pin Configuration of TLV758P TLV758P exits in two types of packages in the market. They are DRV 6-pin adjustable WSON package and DRB 5-pin adjustable SOT-23 package. TLV758P 6-Pin Adjustable WSON Package DRV 6-pin Adjustable WSON package This is a 2mm x2mm of dimension. Pin-1 is the regulated output voltage pin. Pin-2 is the foldback pin FB. Pin-3 is the ground pin GND. Pin-4 is the enable pin EN. Pin-5 is the do not connect pin DNC. Pin-6 is the input pin IN. This package contains a thermal pad, which is connected to a large GND plane to increase thermal performance. DRB 5-Pin Adjustable SOT-23 Package Pin-1 is the input pin IN. Pin-2 is the ground pin GND. Pin-3 is the enable pin EN. Pin-4 is the foldback pin FB. Pin-5 is the output pin OUT. For both these packages, a large ceramic capacitor is connected from input pin IN to ground GND. By doing so the best transient response can be achieved and input impedance can be minimized. The FB pin in both the packages is used as input to the control loop error amplifier and to set the output voltage of the LDO. The output pin of both the packages requires a capacitor for stability and good transient responses. Make sure to place these capacitors close to the output of the device. Specifications of TLV758P Specifications of the TLV758P LDO regulator are as follows- TLV758P is an adjustable LDO regulator. Minimum input voltage is 1.5V. Maximum input voltage is 6V. Adjustable over the output voltage range from 0.55V to 5.5V. It has a low drop out voltage of 130mV at 500mA of output current. A typical value of output accuracy is 0.7%. Maximum over temperature output accuracy is 1%. Typical quiescent current value is 25μ A. It is Built-in soft-start with monotonic output voltage rise. It has an active output discharge. Available in two types of packages- SOT23-5 and WSON-6. Operating junction temperature range is from -400C to 1500C. Storage temperature range is from -650C to 1500C. Enable voltage range is 6.5V. It contains the electrostatic discharge of 500V. Enable toggle frequency is 10kHz. For stability, a minimum derated capacitance of 0.47μF is required. It has an integrated thermal shutdown circuit. Typical thermal shutdown temperature is 7700C. This IC has a current limit and Undervoltage lockout features. To reduce the thermal dissipation during short-circuit events, this IC has internal foldback current limit. Applications of TLV758P The applications of TLV78P are as follows- These IC’s are used in set-top boxes an gaming consoles. Home theatre and entertainment system also uses this LDO regulator. High-speed electronics like Desktops, Notebooks and ultrabooks have this regulator. This IC finds application in printers. In server systems also the features of this IC are very helpful. This IC also finds application in thermostats and lighting control systems. Electronic Point of Sale is also one of the applications of this regulator. Alternative IC The IC that can be used as an alternative to TLV758P are LM1117, LP5907, TLV1117, TPS795, LP5912, TPS7A90 etc… TLV758P LDO is very useful for positive reference voltages. This LDO is frequently seen in applications with microcontrollers. Further Electrical characteristics can be found in TLV758P datasheet. Which of the feature of this LDO was useful for your application? Image Resources: Texas Instruments Share This Post: Facebook Twitter Google+ LinkedIn Pinterest Post navigation ‹ Previous Diaphragm Pump Types and ApplicationsNext › Centrifugal Pumps Working and Applications Related Content AMD AM5 B850 : Specifications, Architecture, Working, Differences & Its Applications NVIDIA GeForce RTX 4070 Ti : Specifications, Architecture, Working, Differences & Its Applications AMD B650E Chipset : Specifications, Architecture, Working, Vs AMD X670E & Its Applications NVIDIA GeForce RTX 3060 : Specifications, Architecture, Working, Differences & Its Applications